Крепеж сити
RU, 620024 Свердловская обл., Екатеринбург, ул. Симская, д. 1
+7 (343) 295-85-75 krepcityekb@yandex.ru
Уважаемые посетители! Для удобства Вы можете воспользоваться старой версией сайта. Уважаемые посетители! Для удобства Вы можете воспользоваться старой версией сайта.
Магазины Каталог
Личный кабинет
Меню сайта

Заклепка резьбовая М3х0,5х9, сталь, уменьшенный борт с насечками

Артикул 1103-02
Фасовка тыс.шт.
2 060
RUB
Прайс-лист Заклепки резьбовые
Обновлено 29.04.2026
Скачать

Описание товара

Заклепка резьбовая М3х0,5х9, сталь, уменьш.бортик с насечкой

Уменьшенный борт отличается от стандартного размером бортика заклепки, что позволяет создавать «декоративные» соединения на изделиях.

Уменьшенный борт имеет незначительный выступ по отношению к детали и месту монтажного отверстия, при этом характеристики и нагрузки соединения сопоставимы с другими видами бортов.

В процессе вкручивания болта резьбовая заклепка не получает нагрузки на упорную кромку, а работает как обычная гайка с гровером, надежно прижимая детали.

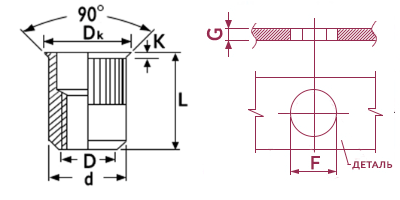
Технические параметры:

D G, мм F, мм +0,1/-0 d,мм +0/-0,15 Dк,мм k,мм L, мм Nm Арт.
М3 0,5-2,0 5,00 4,90 6,20 0,60 9,00 1 SF-AC-ITRG M03-C
М4 0,5-2,0
2,0-4,0
6,00 5,90 7,20 0,60 11,00
12,00
5 SF-AC-ITRG M04-C
SF-AC-ITRG M04-L
М5 0,5-2,0
2,0-4,0
7,00 6,90 8,20 0,60 11,50
13,00
9 SF-AC-ITRG M05-C
SF-AC-ITRG M05-L
М6 0,5-2,5
2,5-5,0
9,00 8,90 10,30 0,70 14,00
16,00
14 SF-AC-ITRG M06-C
SF-AC-ITRG M06-L
М8 0,5-3,0
3,0-5,0
11,00 10,90 12,20 0,70 16,50
18,50
25 SF-AC-ITRG M08-C
SF-AC-ITRG M08-L
М10 1,0-3,5
3,5-6,0
12,00 11,90 13,00
13,00
0,80
0,80
19,50
24,00
45 SF-AC-ITRG M10-C12
SF-AC-ITRG M10-L12
М10 1,0-3,0
3,0-6,0
13,00 12,90 14,20
14,20
0,80
0,80
19,50
22,00
45 SF-AC-ITRG M10-C13
SF-AC-ITRG M10-L13
М12 1,5-3,0
3,0-6,0
15,1 14,9 17,50 0,90 22,00 60 SF-AC-ITRG M12

Механические параметры (разрушающая нагрузка):

Диаметр ,
D, мм
SF-AC-ITRG-C (L)
SF-AC-ITRCG-C
SF-AC-ITSCG-C
SF-AC-ITSG-C (L)
Вырыв болта, Кн Скручивание резьбы, Нм  Срез, Кн
М3 3.9 1 2
М4 6.8 5 2.2
М5 11.5 9 2.8
Мб 16.5 14 4.9
М8 25 25 5.2
М10 32 45 7.0
М12 34 60 9.5

Купить Заклепку резьбовую уменьшенный бортик с насечкой в Екатеринбурге и Свердловской области можно в сети магазинов КРЕПЕЖ-СИТИ.

ВНИМАНИЕ! На сайте указано наличие товара на складе в Екатеринбурге. Наличие в магазинах просьба уточнять по телефонам.

Доставка по Екатеринбургу от 10 тыс. руб. Доставка до ТК бесплатно. Скидки для постоянных покупателей. Интернет-заказы обрабатываются в рабочие дни с 10 до 18 часов.