Крепеж сити
RU, 620024 Свердловская обл., Екатеринбург, ул. Симская, д. 1
+7 (343) 295-85-75 krepcityekb@yandex.ru
Уважаемые посетители! Для удобства Вы можете воспользоваться старой версией сайта. Уважаемые посетители! Для удобства Вы можете воспользоваться старой версией сайта.
Магазины Каталог
Личный кабинет
Меню сайта

Заклепка резьбовая М12х1,75х22,0, сталь, стандартный борт с насечками

Артикул 1112-01
Фасовка тыс.шт.
12 017
RUB
Прайс-лист Заклепки резьбовые
Обновлено 29.04.2026
Скачать

Описание товара

Заклепка резьбовая М12х1,75х22,0, сталь, стандартный борт с насечками

Резьбовая заклепка со стандартным бортом имеет небольший бортик в сравнении с другими видами заклепок с уменьшенным и потайным бортом. Этот вид борта предполагает наиболее жесткую фиксацию заклепки за счет повышенной площади прилегания бортика к плоскости детали.

Стандартный борт позволяет работать с тонколистовыми металлами. Он также позволяет максимально увеличить скорость создания эффективного резьбового соединения, в том числе и в труднодоступных местах, к которым не предъявляется высоких требований по декоративному оформлению места крепления.

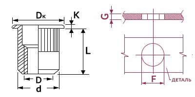
Технические параметры:

D G, мм F, мм +0,1/-0 d,мм +0/-0,15 Dк,мм k,мм L, мм Nm Арт.
М3 0,5-1,5 5,00 4,90 8,00 0,80 8,20 2 SF-AC-ITTG M03-C
М4 0,5-2,0
2,0-3,5
6,00 5,90 9,00 0,80 10,20
11,20
5 SF-AC-ITTG M04-C
SF-AC-ITTG M04-L
М5 0,5-2,5
2,5-5,0
7,00 6,90 10,00 1,00 12,00
15,50
9 SF-AC-ITTG M05-C
SF-AC-ITTG M05-L
М6 0,5-3,0
3,0-5,5
9,00 8,90 12,30 1,30 13,70
18,20
14 SF-AC-ITTG M06-C
SF-AC-ITTG M06-L
М8 1,0-3,5
3,5-6,0
11,00 10,90 14,50 1,50 16,5
19,5
25 SF-AC-ITTG M08-C
SF-AC-ITTG M08-L
М10 1,0-3,5
3,5-6,0
12,00 11,90 16,00 1,60
1,60
17,40
20,40
45 SF-AC-ITTG M10-C12
SF-AC-ITTG M10-L12
М10 1,0-4,0
4,0-6,5
13,00 12,90 17,00 1,70 19,30
22,30
45 SF-AC-ITTG M10-C13
SF-AC-ITTG M10-L13
М12 1,0-4,0
4,0-6,5
15,00 14,90 18,80 1,70 20,30
23,30
82 SF-AC-ITTG M12-C15
SF-AC-ITTG M12-L15
М12 1,0-4,0
3,5-6,0
16,00 15,90 22,00 2,00 23,00
26,00
82 SF-AC-ITTG M12-C16
SF-AC-ITTG M12-L16

Механические параметры (разрушающая нагрузка):

Диаметр ,
D, мм
SF-AC-ITT-C (L)
SF-AC-ITTCG-C
SF-AC-ITTG-C (L)
Вырыв болта, Кн Скручивание резьбы, Нм Срез, ,Кн
М3 4.2 2 2
М4 6.8 5 2.8
М5 11.5 9 3.9
Мб 16.5 14 5.8
М8 25 25 6.8
М10 32 45 9.4
М12 34 82 10.3

Купить Заклепку резьбовую цилиндрический бортик с насечкой в Екатеринбурге и Свердловской области можно в сети магазинов КРЕПЕЖ-СИТИ.

ВНИМАНИЕ! На сайте указано наличие товара на складе в Екатеринбурге. Наличие в магазинах просьба уточнять по телефонам.

Доставка по Екатеринбургу от 10 тыс. руб. Доставка до ТК бесплатно. Скидки для постоянных покупателей. Интернет-заказы обрабатываются в рабочие дни с 10 до 18 часов.